Schaller 5-fach Drehschalter, Megaswitch P
-
Beschreibung
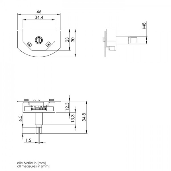
5-Weg Drehschalter für 2 Humbucker, der die PRS-Schaltung ermöglicht. Benötigter Platz: 48mm x 30mm und ca. 18mm Tiefe. Bohrungsdurchmesser: 8mm, Gewindelänge: 13mm. Riffelachse mit 6mm Durchmesser.
- Einbautiefe: ca. 18mm
Lötöse 7: Steghumbucker "Anzapfung"
Der Minuspol des Halshumbuckers kommt an Masse. Sollten innere und äußere Spulen vertauscht sein, müssen die jeweiligen Plus- und Minuspole der Humbucker vertauscht werden. Die Abschirmungen der Humbuckerkabel bleiben generell an Masse.
Wenn alle Stellungen brummfrei sein sollen, dann muss die magnetische Polarität der beiden Pickups unterschiedlich sein. Bei einem der beiden Tonabnehmer muss also der Magnet umgedreht werden. Ihr könnt uns den Pickup aber auch zum Ummagnetisieren schicken. Wir berechnen dafür 20 Euro.
Eine Anmerkung zum Minuspol: das ist der Anschluss des Humbuckers, der normalerweise zusammen mit der Abschirmung auf Masse gelötet wird. Für die Funktion des P-Megaswitches darf dieser Anschluss nicht generell mit Masse verbunden sein, weshalb er getrennt auf den Schalter geführt wird.




