Gotoh Wilkinson VS100 Tremolo
99,00 €
|
Art.-Nr.
|
|
Preis
Preis
|
Bestellmenge |
|---|---|---|---|
| 1600C | Satin Chrom |
ab
1
99,00 €
|
|
| 1600S | Schwarz |
ab
1
135,00 €
|
|
-
Beschreibung
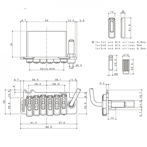
By GOTOH. Kompatibel mit Vintage Style Tremolos. 2 Lagerschrauben, Messerkantenlager. 56mm Bolzenabstand, 54mm Saitenabstand. Inkl. Schrauben, Federn, Federkralle und Hebel.
- Saitenabstand (E zu e): 54mm
- 2 Tremolobefestigungslöcher mit 56mm Gesamtabstand (Mitte zu Mitte)
- Blocktiefe: 41mm
- Gewicht: 322g
Weitere Informationen
Ergänzende oder alternative Artikel
Andere Kunden kauften auch




